
使用條件:
防護等級:IP55 絕緣等級:B 、F級 額定頻率:50Hz 電壓: 380V 、 66OV 、 380V/660V 工作制:S1
安裝方式:臥式 海拔高度: < 1OO0m 環境溫度:一 15 ℃ 一+ 40 ℃
空氣相對濕度:≤95 % (溫度為 25 ℃ )
工廠具有引燃溫度組別為 Tl 一 T4 組的可燃性氣體或蒸氣與空氣形成的爆炸性混合物場所或存在有爆炸性粉塵的場所。
產品介紹:
YBZH 系列戶外隔爆型振動三相異步電動機(簡稱防爆型振動電機),其工作原理和通用型振動電機類似,是利用兩端的偏心塊高速旋轉產生振動力作為振動源。該系列防爆振動電機具有設計合理、結構緊湊、激振效率高、節能、壽命長、運行可靠,安裝調試方便等優點,主要用于煤礦、石油天然氣、石油化工和化學工業.此外,在紡織、冶金、城市煤氣、交通、糧油加工、造紙、醫藥等部門也被廣泛應用。可作為振動料斗、振動篩、圓振篩、振動給料機、振動輸送機的要求防爆環境工作振動源。
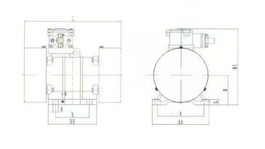
技術參數:

| 型號 | 激振力(KN) | 轉速(r/min) | 功率(KW) | 電流(A) | 電壓(V) | 安裝尺寸(mm) | 外形尺寸(mm) | |||||||
| A | B | K | H | AA | BB | G | L | H1 | ||||||
YBZH112-2.5-2 | 2.5 | 2820 | 0.25 | 0.69 | 380 | 180 | 110 | 4-Φ14 | 112 | 220 | 160 | 18 | 348 | 327 |
YBZH112-5-2 | 5 | 2820 | 0.44 | 1.01 | 380 | 180 | 140 | 4-Φ18 | 112 | 220 | 190 | 18 | 388 | 327 |
YBZH112-8-2 | 8 | 2820 | 0.55 | 1.65 | 380 | 180 | 140 | 4-Φ18 | 112 | 220 | 190 | 18 | 388 | 327 |
YBZH112-10-2 | 10 | 2820 | 0.75 | 2.15 | 380 | 180 | 140 | 4-Φ18 | 112 | 220 | 190 | 18 | 388 | 327 |
YBZH112-2.5-4 | 2.5 | 1420 | 0.13 | 0.52 | 380 | 180 | 110 | 4-Φ14 | 112 | 220 | 160 | 18 | 348 | 327 |
YBZH112-5-4 | 5 | 1420 | 0.25 | 0.99 | 380 | 180 | 110 | 4-Φ14 | 112 | 220 | 160 | 18 | 348 | 327 |
YBZH112-16-2 | 16 | 2850 | 1.1 | 2.5 | 380 | 180 | 140 | 4-Φ18 | 125 | 220 | 190 | 20 | 388 | 340 |
YBZH112-8-4 | 8 | 1420 | 0.45 | 1.59 | 380 | 180 | 140 | 4-Φ18 | 125 | 220 | 190 | 20 | 388 | 340 |
YBZH112-10-4 | 10 | 1420 | 0.55 | 1.73 | 380 | 180 | 140 | 4-Φ18 | 125 | 220 | 190 | 20 | 388 | 340 |
YBZH112-2.5-6 | 3 | 950 | 0.2 | 0.84 | 380 | 180 | 140 | 4-Φ18 | 125 | 220 | 190 | 20 | 388 | 340 |
YBZH112-5-6 | 5 | 950 | 0.4 | 1.68 | 380 | 180 | 140 | 4-Φ18 | 125 | 220 | 190 | 20 | 388 | 340 |
YBZH112-8-6 | 8 | 960 | 0.55 | 1.84 | 380 | 180 | 140 | 4-Φ18 | 125 | 220 | 190 | 20 | 445 | 340 |
YBZH112-20-2 | 20 | 2850 | 1.5 | 3.3 | 380 | 220 | 160 | 4-Φ26 | 140 | 270 | 230 | 25 | 460 | 368 |
YBZH112-16-4 | 16 | 1420 | 0.75 | 2.1 | 380 | 220 | 160 | 4-Φ26 | 140 | 270 | 230 | 25 | 460 | 368 |
YBZH112-20-4 | 20 | 1420 | 1.1 | 2.7 | 380 | 220 | 160 | 4-Φ26 | 140 | 270 | 230 | 25 | 460 | 368 |
YBZH112-10-6 | 10 | 960 | 0.75 | 2.5 | 380 | 220 | 160 | 4-Φ26 | 140 | 270 | 230 | 25 | 460 | 368 |
YBZH112-30-2 | 30 | 2850 | 2.2 | 4.7 | 380 | 220 | 160 | 4-Φ29 | 170 | 270 | 230 | 25 | 480 | 395 |
YBZH112-30-4 | 30 | 1440 | 1.5 | 3.84 | 380 | 260 | 180 | 4-Φ29 | 170 | 270 | 260 | 25 | 510 | 395 |
YBZH112-16-6 | 16 | 960 | 1.1 | 3.37 | 380 | 260 | 180 | 4-Φ29 | 170 | 320 | 260 | 25 | 530 | 395 |
YBZH112-20-6 | 20 | 960 | 1.5 | 4.59 | 380 | 260 | 180 | 4-Φ29 | 170 | 320 | 260 | 25 | 530 | 395 |
YBZH112-30-6 | 30 | 960 | 2.2 | 6.5/3.7 | 380/660 | 320 | 200 | 4-Φ33 | 200 | 400 | 300 | 30 | 560 | 470 |
YBZH112-40-6 | 40 | 960 | 3 | 8.05/4.6 | 380/660 | 320 | 200 | 4-Φ33 | 200 | 400 | 300 | 30 | 560 | 470 |
YBZH112-50-4 | 50 | 1440 | 2.2 | 9.6/5.5 | 380/660 | 320 | 200 | 4-Φ33 | 200 | 400 | 300 | 30 | 560 | 470 |
YBZH112-50-6 | 50 | 960 | 3.7 | 9.6/5.5 | 380/660 | 370 | 200 | 4-Φ39 | 225 | 460 | 300 | 32 | 630 | 530 |
YBZH112-75-6 | 75 | 960 | 5.5 | 14.4/8.2 | 380/660 | 370 | 260 | 4-Φ45 | 225 | 460 | 440 | 35 | 820 | 540 |
YBZH112-100-6 | 100 | 960 | 7.5 | 19/10.9 | 380/660 | 370 | 260 | 4-Φ45 | 225 | 460 | 440 | 35 | 820 | 540 |